an abstract photo of a curved building with a blue sky in the background

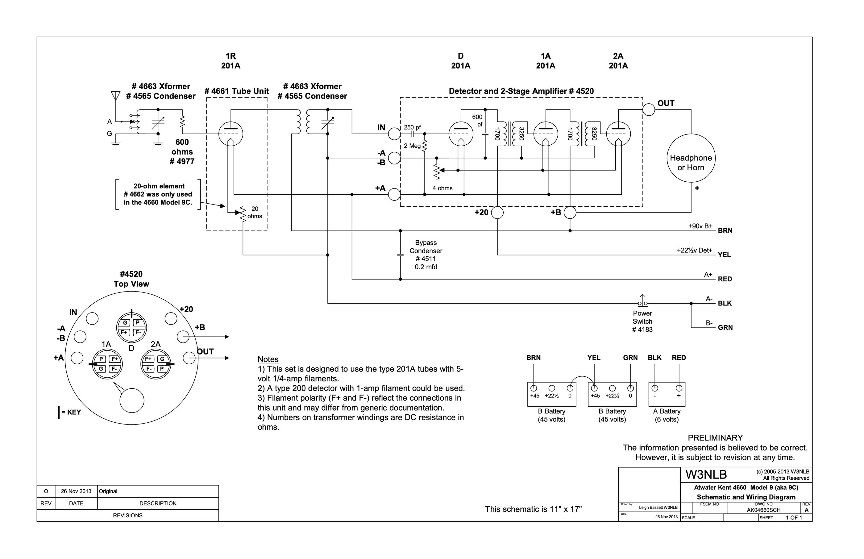
Model 9C TYPE 4660 SCHEMATIC

Leigh Bassett, W3NLB All Rights Reserved