an abstract photo of a curved building with a blue sky in the background

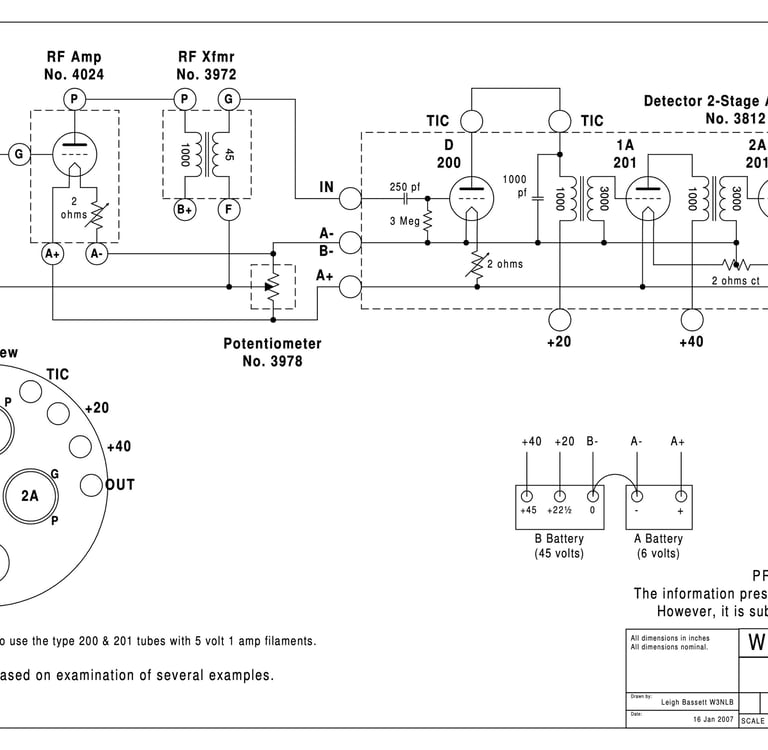
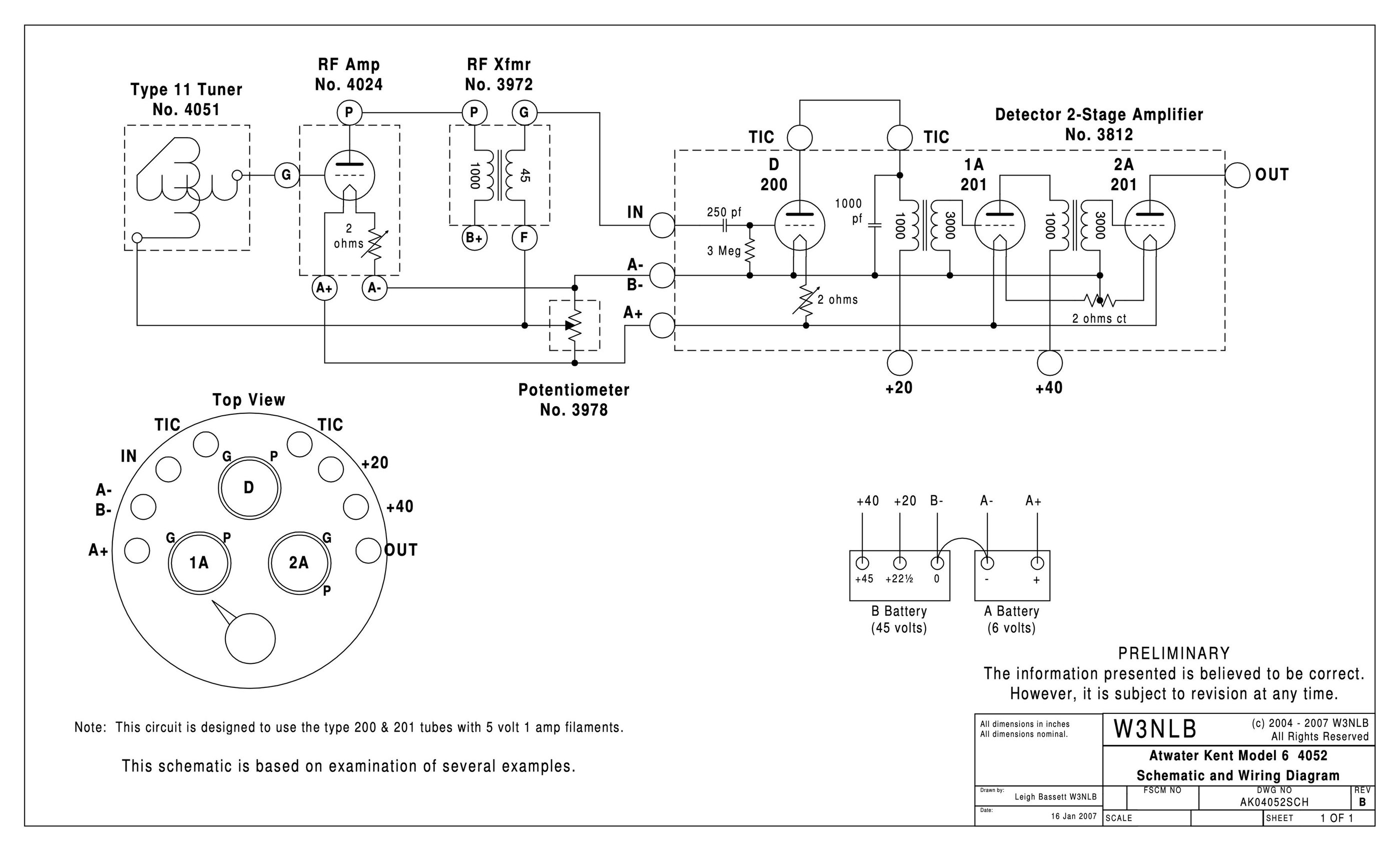
Model 6 TYPE 4052 SCHEMATIC

Leigh Bassett, W3NLB All Rights Reserved