an abstract photo of a curved building with a blue sky in the background

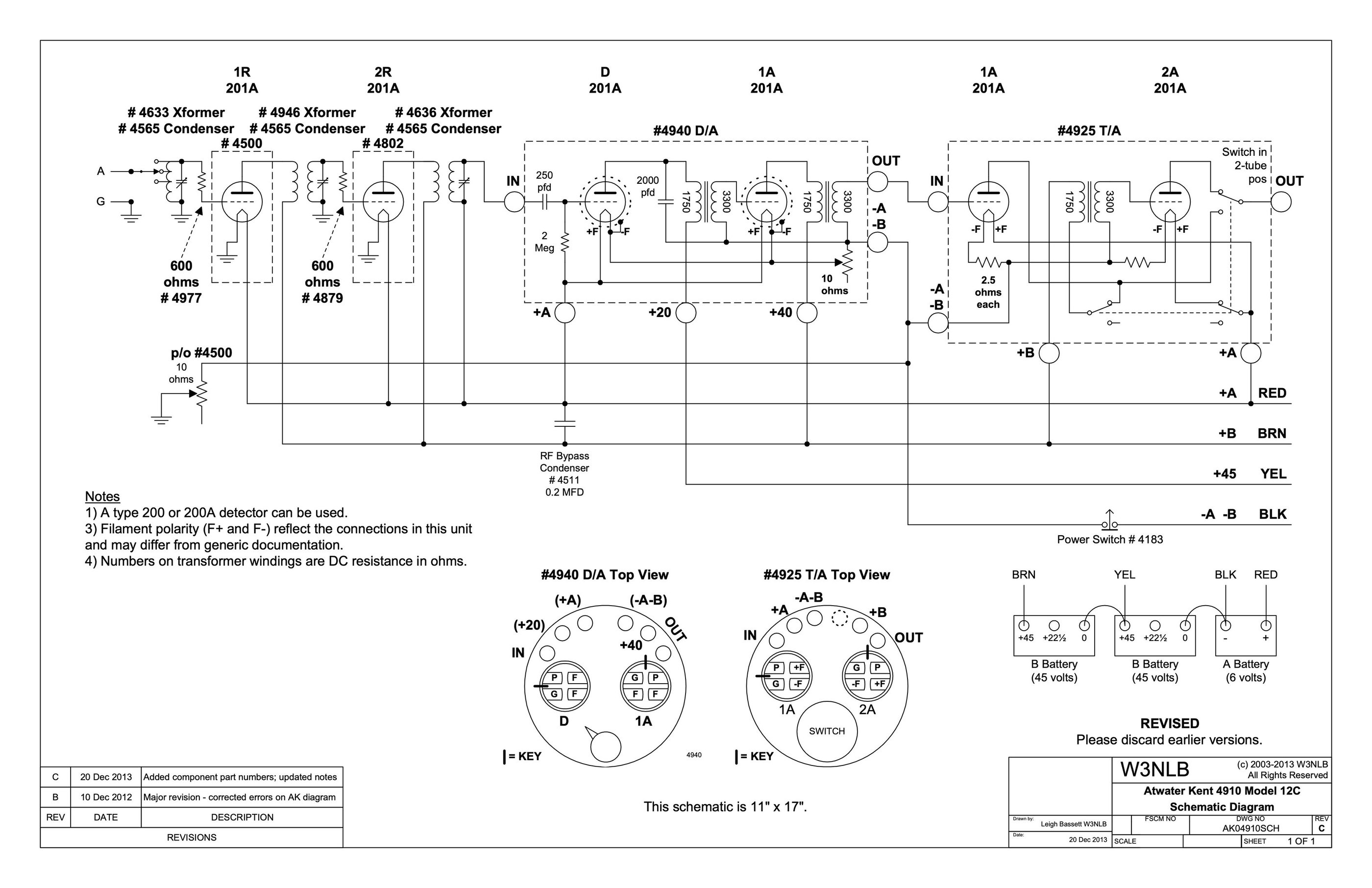
Model 12 TYPE 4910 SCHEMATIC

Leigh Bassett, W3NLB All Rights Reserved