an abstract photo of a curved building with a blue sky in the background

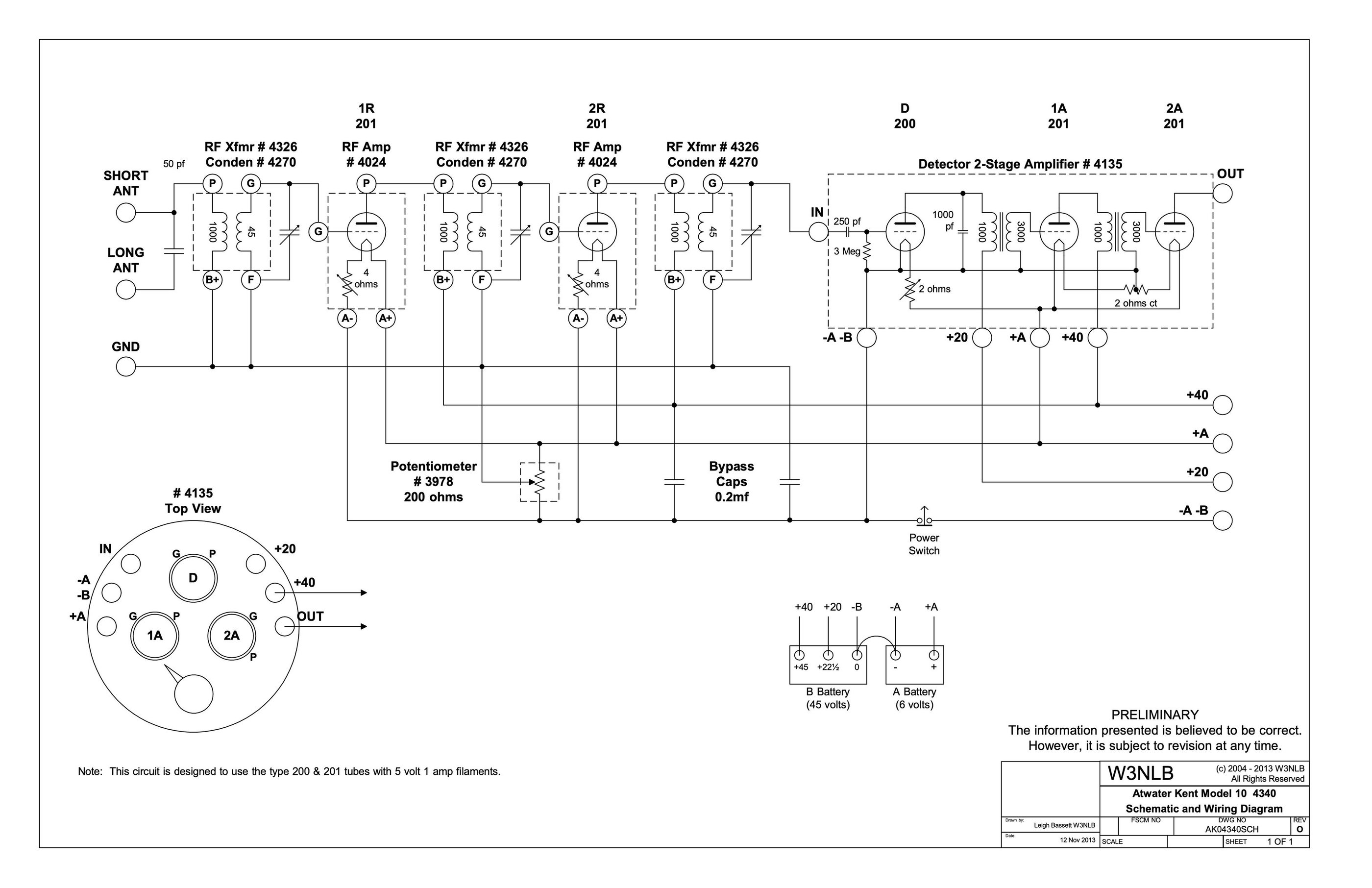
Model 10 TYPE 4340 SCHEMATIC

Leigh Bassett, W3NLB All Rights Reserved