an abstract photo of a curved building with a blue sky in the background

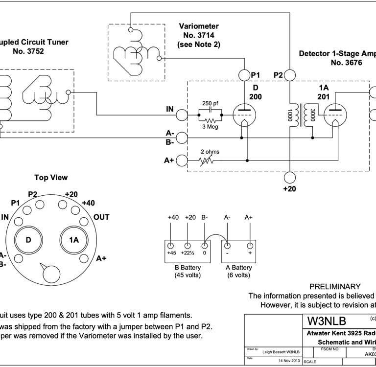
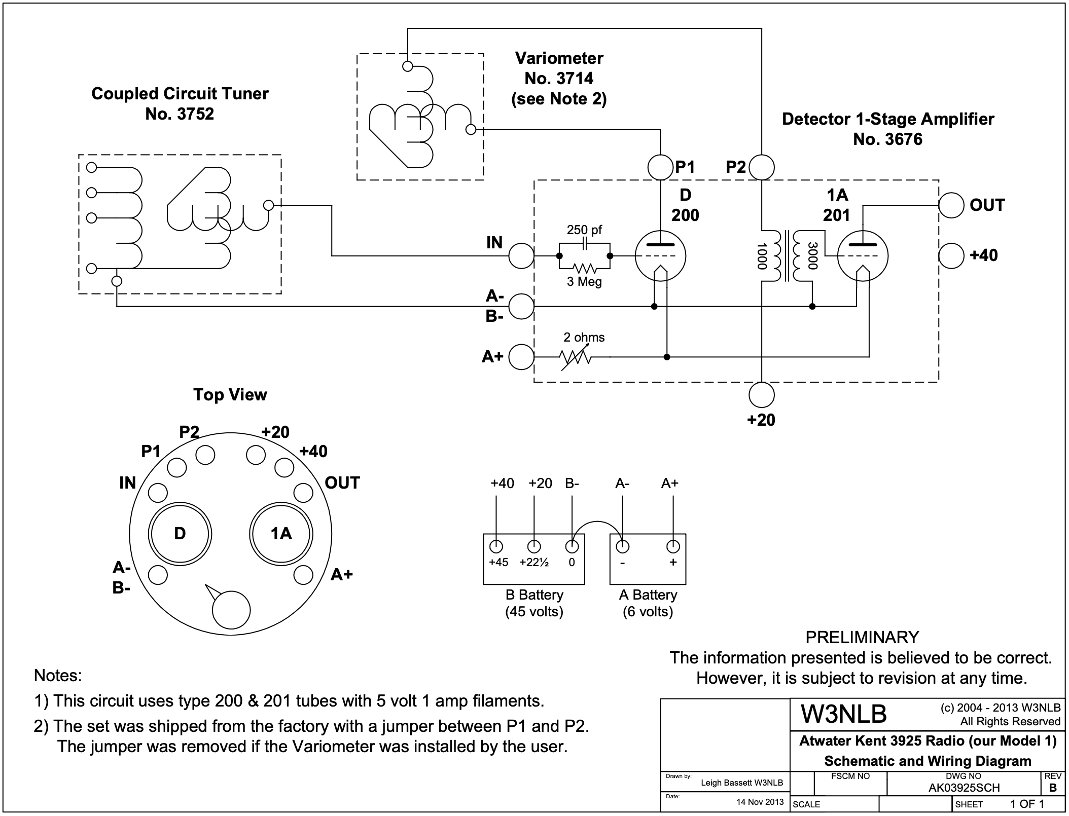
Model 1 TYPE 3925 SCHEMATIC

AK3925-Schematic-W3NLB
AK3925-Schematic-W3NLB

Leigh Bassett, W3NLB All Rights Reserved